← Back to Borough Council of King's Lynn & West Norfolk

Status

Awaiting decision Change of use
Received
08 Oct 2025
New dwellings
0

Full Proposal

RETROSPECTIVE: Change of use from Agricultural & E(g)(i)Light Office use to Class E(f) Dog Creche

Documents

AGENT CORRESPONDENCE
Correspondence
Not archived · Council Link
AGENT EMAIL
Correspondence
Not archived · Council Link
AGENT EMAIL
Correspondence
Not archived · Council Link
APPENDIX 2 SCREENING ASSESSMENT
Correspondence
Not archived · Council Link
APPLICATION FORM
Application Form
Not archived · Council Link
CSNN CORRESPONDENCE
Correspondence
Not archived · Council Link
CSNN CORRESPONDENCE
Correspondence
Not archived · Council Link
CSNN SUZI PIMLOTT
Consultee Comment
Not archived · Council Link
DOG CRECHE REPORT
Report
Not archived · Council Link
ECOLOGIST CORRESPONDENCE
Correspondence
Not archived · Council Link
EMERGENCY PLANNING - KEVIN KENT
Consultee Comment
Not archived · Council Link
ENVIRONMENT AGENCY COMMENTS
Consultee Comment
Not archived · Council Link
ENVIRONMENTAL QUALITY - ASHLEY WHEELER
Consultee Comment
Not archived · Council Link
EOT AGREED
Correspondence
Not archived · Council Link
EOT AGREED
Correspondence
Not archived · Council Link
EOT REQUEST
Correspondence
Not archived · Council Link
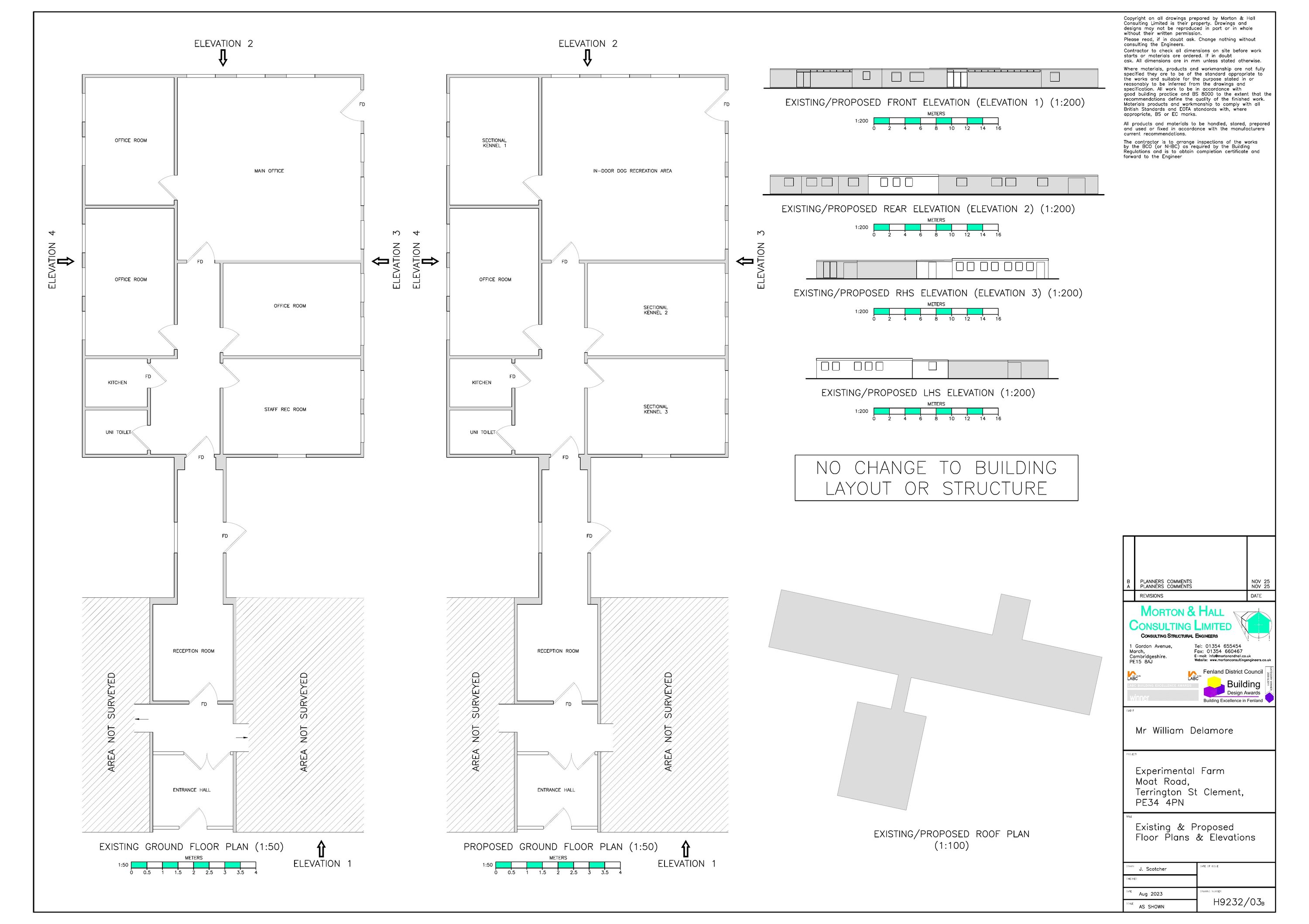
EXISTING AND PROPOSED FLOOR PLAN AND ELEVATION
Drawing
Not archived · Council Link
EXISTING AND PROPOSED FLOOR PLAN AND ELEVATION
Correspondence
Not archived · Council Link
FEE CALC
Correspondence
Not archived · Council Link
FLOOD RISK ASSESSMENT
Report
Not archived · Council Link
INVALID LETTER (NOT INCORRECT FEE)
Invalid Letter
Not archived · Council Link
NCC HIGHWAYS COMMENTS
Consultee Comment
Not archived · Council Link
OFFICER CORRESPONDENCE
Correspondence
Not archived · Council Link
OFFICER EMAIL
Correspondence
Not archived · Council Link
PLANNING OFFICER EMAIL
Correspondence
Not archived · Council Link
Drawing
Archived · Council Link
TECHNICAL SUPPORT OFFICER EMAIL
Correspondence
Not archived · Council Link

Take Action

Make your voice heard. Authorities need to hear from people who support new homes.

✉️ Write Email in Support View on Council Portal