← Back to Broadland and South Norfolk Council

Status

Pending Consideration
Received
22 Aug 2025
New dwellings
n/a

Summary

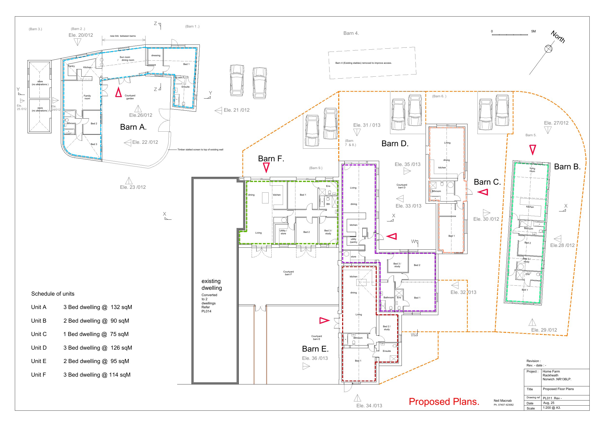
Convert farm buildings into six dwellings and subdivide existing dwelling into two.

Full Proposal

Conversion of existing farm buildings into 6 residential dwellings. Conversion of existing dwelling into 2 dwellings

Documents

10 lake view
Public Comment (D)
Not archived · Council Link
2 lake view
Public Comment (D)
Not archived · Council Link
Additional consultation
Officer Notes
Not archived · Council Link
Apartment 3 rackheath hall
Public Comment (D)
Not archived · Council Link
Apartment 5 rackheath hall
Public Comment (D)
Not archived · Council Link
Application form redacted
Application Form (K)
Not archived · Council Link
Bat report
Report (K)
Not archived · Council Link
Bng metric
Report (K)
Not archived · Council Link
Design access and planning statement
Report (K)
Not archived · Council Link
Existing dwelling subdivided into 2 dwellings
Drawing (K)
Not archived · Council Link
Existing elevations 1
Drawing (K)
Not archived · Council Link
Existing elevations 2
Drawing (K)
Not archived · Council Link
Existing photos 1
Photo (K)
Not archived · Council Link
Existing photos 2
Photo (K)
Not archived · Council Link
Existing plans
Drawing (K)
Not archived · Council Link
Drawing (K)
Archived · Council Link
Heritage impact assessment part 1
Report (K)
Not archived · Council Link
Heritage impact assessment part 2
Report (K)
Not archived · Council Link
Land screening assessment
Report (K)
Not archived · Council Link
Liquid 11
Public Comment (D)
Not archived · Council Link
Ncc highways
Consultee Comment (D)
Not archived · Council Link
Nnams
Report (K)
Not archived · Council Link
Norfolk budget calc v2 2 7 new
Report (K)
Not archived · Council Link
Norfolk budget calc v2 2 existing
Report (K)
Not archived · Council Link
Norfolk budget calc v2 2 existing upgraded
Report (K)
Not archived · Council Link
Nutrient neutrality
Consultee Comment (D)
Not archived · Council Link
Nutrient neutrality
Consultee Comment (D)
Not archived · Council Link
Parish council
Consultee Comment (D)
Not archived · Council Link
Preliminary ecological appraisal
Report (K)
Not archived · Council Link
Press advert
BackGround Papers (K)
Not archived · Council Link
Proposed elevations 1
Drawing (K)
Not archived · Council Link
Proposed elevations 2
Drawing (K)
Not archived · Council Link
Drawing (K)
Archived · Council Link
Drawing (K)
Archived · Council Link
Public comment
Public Comment (D)
Not archived · Council Link
Rackheath lodge
Public Comment (D)
Not archived · Council Link
Report
Report (K)
Not archived · Council Link
Drawing (K)
Archived · Council Link
Transport note
Report (K)
Not archived · Council Link
Transport note addendum
Report (K)
Not archived · Council Link

Take Action

Make your voice heard. Authorities need to hear from people who support new homes.

✉️ Write Email in Support View on Council Portal